Комбінований бойлер Tiki Econ MCL 100V9
Електричний комбінований водонагрівач Econ MCL 100V9 – це бойлер циліндричної форми об'ємом 92,5 літрів. Комбінований бойлер поєднує 2 типи нагрівача.
- Нагрівання від джерела тепла за допомогою теплообмінника, площею 0.9 м2.
- Нагрівання за допомогою 2-х сухих ТЕНів, загальною потужністю 2000 Вт. Нагрівальний елемент закритого типу знаходиться всередині сталевого емальованого фланця, що забезпечує тривалий термін служби, оскільки ТЕН не контактує з водою.
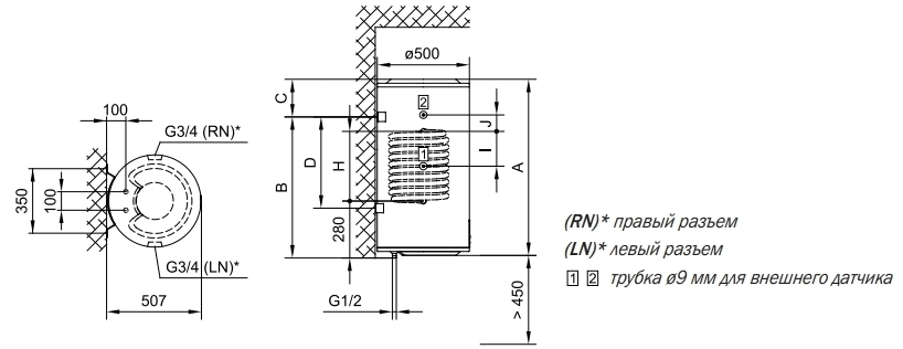
Монтаж бойлера настінний, вертикальний з лівим підключенням теплообмінника.
Серія комбінованих накопичувальних водонагрівачів Gorenje GBK, у яких крім двох "сухих" ТЕН додатково є теплообмінник для нагрівання води від системи опалення газовим, електричним або твердопаливним котлом. Також баки непрямого нагріву Gorenje GBK підходять для підключення до сонячних колекторів та іншого опалювального обладнання.

Основні особливості бойлера:
- Високоякісна екологічно чиста теплоізоляція забезпечує ефективне використання електроенергії та мінімальні втрати тепла.
- Подвійний антикорозійний захист. Високоякісна емаль та великий магнієвий захисний анод забезпечують довговічність пристроїв навіть у найважчих умовах експлуатації.
- Сухий ТЕН. Електричні ТЕНи, вставлені в нагрівальний фланець, виготовлені із спеціальної сталі та покриті антикорозійною емаллю, гарантують тривалий термін служби, адже вони не перебувають у прямому контакті з водою.
- Захист від роботи без води. Попереджає увімкнення водонагрівача, якщо його не наповнено водою перед підключенням до
- електромережі. Це захищає внутрішні компоненти пристрою від перегріву та подальшого перегорання нагрівального елемента.
- Захист від перегріву. Функція захисту від перегріву попереджає підвищення температури води при нагріванні вище 90°С. Водонагрівач припиняє роботу та попереджає користувача, що температура води надто висока через несправність. Це допомагає захистити користувача від випадкових опіків.
- Функція Антилегіонелла. Якщо температура води в баку не досягає 65 ° C протягом 14 днів поспіль, електронагрівальний елемент автоматично вмикається і нагріває воду до температури, попереджає появу та успішно знищує бактерії легіонели.
Панель керування:


Габаритні розміри:


Відгуків про цей товар ще не було.
Немає відгуків про цей товар, станьте першим, залиште свій відгук.
Немає питань про даний товар, станьте першим і задайте своє питання.