Комбінований бойлер Tiki Econ MCR 80V9
Электрический комбинированный водонагреватель Econ MCR 80V9- это бойлер цилиндрической формы объемом 72,6 литров. Комбинированный бойлер совмещает 2 типа нагревателя.
- Нагрев от источника тепла c помощью теплообменника, площадью 0.7 м2.
- Нагрев с помощью 2-х сухих ТЭНов, общей мощностью 2000 Вт. Нагревательный элемент закрытого типа находится внутри стального эмалированного фланца, что обеспечивает длительный срок службы, так как ТЭН не контактирует с водой.
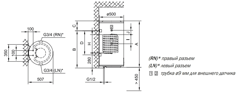
Монтаж бойлера настенный, вертикальный, с правым подключением теплообменника.
Серия комбинированных накопительных водонагревателей Gorenje GBK, у которых кроме двух "сухих" ТЭНа дополнительно есть теплообменник для нагрева воды от системы отопления газовым, электрическим или твердотопливным котлом. Также баки косвенного нагрева Gorenje GBK подходят для подключения к солнечным коллекторам и другому отопительному оборудованию.

Основные особенности бойлера:
- Высококачественная экологически чистая теплоизоляция обеспечивает эффективное использование электроэнергии и минимальные потери тепла.
- Двойная антикоррозийная защита. Высококачественная эмаль и большой магниевый защитный анод обеспечивают долговечность устройств даже в самых тяжелых условиях эксплуатации.
- Сухой ТЭН. Электрические ТЭНы, вставленные в нагревательный фланец, изготовленные из специальной стали и покрытые антикоррозийной эмалью, гарантируют долгий срок службы, ведь они не находятся в прямом контакте с водой.
- Защита от работы без воды. Предупреждает включение водонагревателя, если его не наполнен водой перед подключением к
- электросети. Это защищает внутренние компоненты устройства от перегрева и дальнейшего перегорания нагревательного элемента.
- Защита от перегрева. Функция защиты от перегрева предупреждает повышение температуры воды при нагреве выше 90 ° С. водонагреватель прекращает работу и предупреждает пользователя, что температура воды слишком высока из-за неисправности. Это помогает защитить пользователя от случайных ожогов.
- Функция Антилегионелла. Если температура воды в баке не достигает 65 ° C в течение 14 дней подряд, электронагревательный элемент автоматически включается и нагревает воду до температуры, предупреждает появление и успешно уничтожает бактерии легионеллы.
Панель управления:

Габаритные размеры:


Відгуків про цей товар ще не було.
Немає відгуків про цей товар, станьте першим, залиште свій відгук.
Немає питань про даний товар, станьте першим і задайте своє питання.